There are two main methods of generating a sine-like power: a resonance method and pulse-width modulation (PWM) method. In
resonant inverters the resulting frequency is a function of circuit inductances and capacitances, which normally have wide tolerances and vary with temperature. Therefore this approach is used primarily in applications where a stable voltage is not required. When you need a well stabilized adjustable output, especially in grid-connected applications, you need to use some digital means.
PWM inverters contain a system of solid-state electronic switches. They generate high-voltage high-frequency rectangular pulses, which are applied to low-pass LC filter. The filter derives moving average of these rectangles. By properly modulating duty cycle and periodically changing the polarity of the pulses, a low-frequency (LF) sine wave can be synthesized (see the diagram above). Here we will review the main topologies used in sinewave inverters and provide their conceptual schematics.
The most common topology employed in this class of devices is a
two-stage configuration with high-frequency (HF) isolating pre-regulator followed by DC-AC H-bridge.

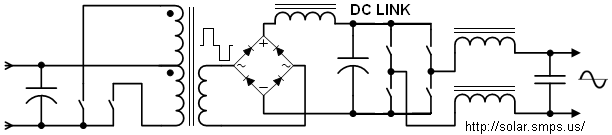
Sometimes a boost converter is added before the isolating stage: see operation basics of a 3-stage
grid-connected unit.
The switches here are usually implemented with either MOSFETs or IGBTs.

The above configuration has a DC link in the secondary. The AC is isolated from the input by a HF transformer, which raises the voltage level above the peak of desired sinusoid. Note that the output here is floating, so either terminal can be grounded. The main advantages of such HF approach are relatively small weight and size: the required cross-sectional area of magnetic cores is inversely proportional to the frequency. The HF disadvantages are vulnerable to rapid load transients and possible presence of DC component in output voltage. The latter can cause problems for the loads that have input transformer, which may be imbalanced and even driven into saturation by the DC offset.
In
mixed frequency designs, first a HF stage converts the DC to sinewave AC. Then, a LF transformer amplifies it to the desired level (typically, 120 or 240 VAC).

Thus, a single conversion stage can produce a required waveform and control its amplitude. Mixed frequency inverters have greater weight and size, but they are simpler, more reliable, and will not introduce a DC offset. In addition, with this technique it is easier to produce split phase 120/240 V compatible with U.S. 3-wire household electrical system (see conceptual schematic to the right).

Although input-to-output isolation is highly desirable, at present it is not a requirement. Here is an example of
transformerless design. Such a circuit features the lowest cost and size. Its main disadvantage is input battery can no longer be grounded. This can create an electric shock hazard if the equipment is improperly guarded or maintained. The installation of a transformerless grid-tie inverter system requires additional safety devices (not shown on the diagram) and warning labels.

The common drawback in all described circuits is the capacitor across DC-link has to supply double-frequency current ripple. The presence of this decoupling capacitor lowers the MTBF of the entire device. Here is a circuit with AC-link proposed by Balog and other authors. Eliminating or reducing the storage capacitor can increase overall reliability. On the negative side, this architecture requires bi-directional switches and a special section that handles ripple. In addition, at the fixed input, the magnitude of AC-link is not adjustable since the pre-converter has to operate at full duty cycle.
Also see our general
tutorial on DC to AC conversion basics and examples of
resonant topologies.